这是一套欧式风格的别墅,造型美观大气,采用坡屋顶,红色琉璃瓦、白色外墙涂料、红色面砖,外观造型简洁大方,明厨明卫,各使用空间都有较好的采光通风。

占地面积:147.4㎡
建筑面积:281.2㎡
建筑结构:砖混
建筑尺寸:12.84×12.54
预估造价:35万

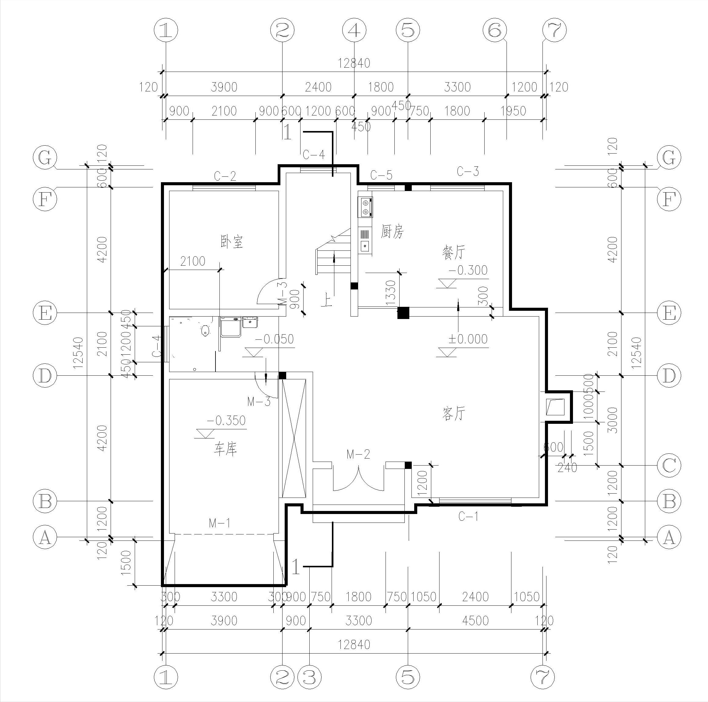
一层平面图
一层建筑面积:141.2㎡
功能设置:客厅、餐厅、厨房、卧室、卫生间、车库
客厅是挑空设计,宽敞通透,厨房和餐厅共用一个房间,节约室内空间,使用也比较方便。

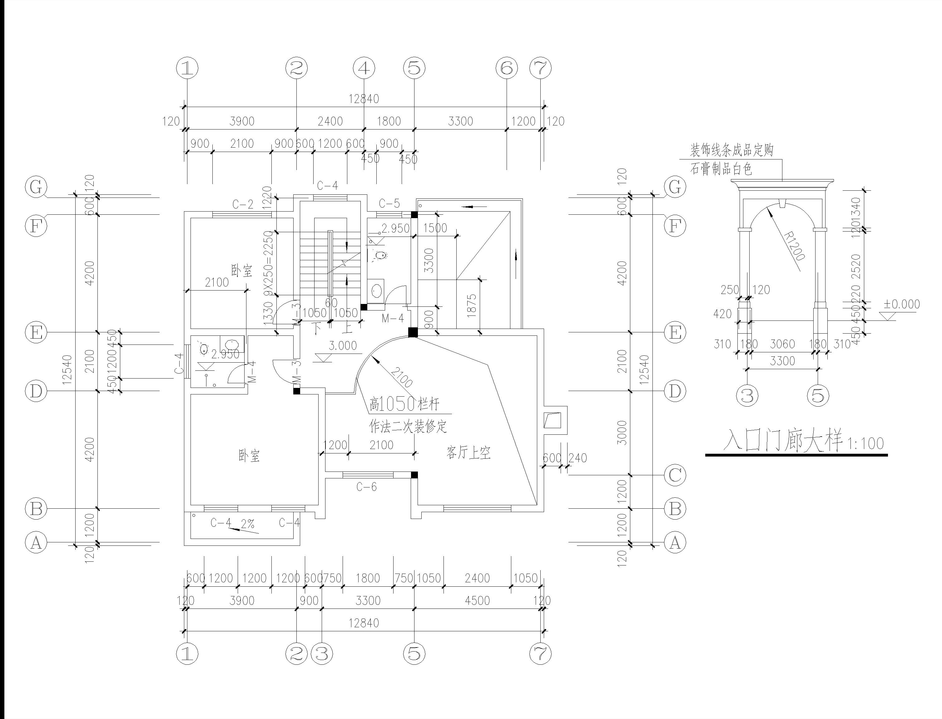
二层平面图
二层建筑面积:73.9㎡
功能设置:卧室(两个)、卫生间
二楼设置相对简单,其中一个卧室带独立卫生间,可做主人房。

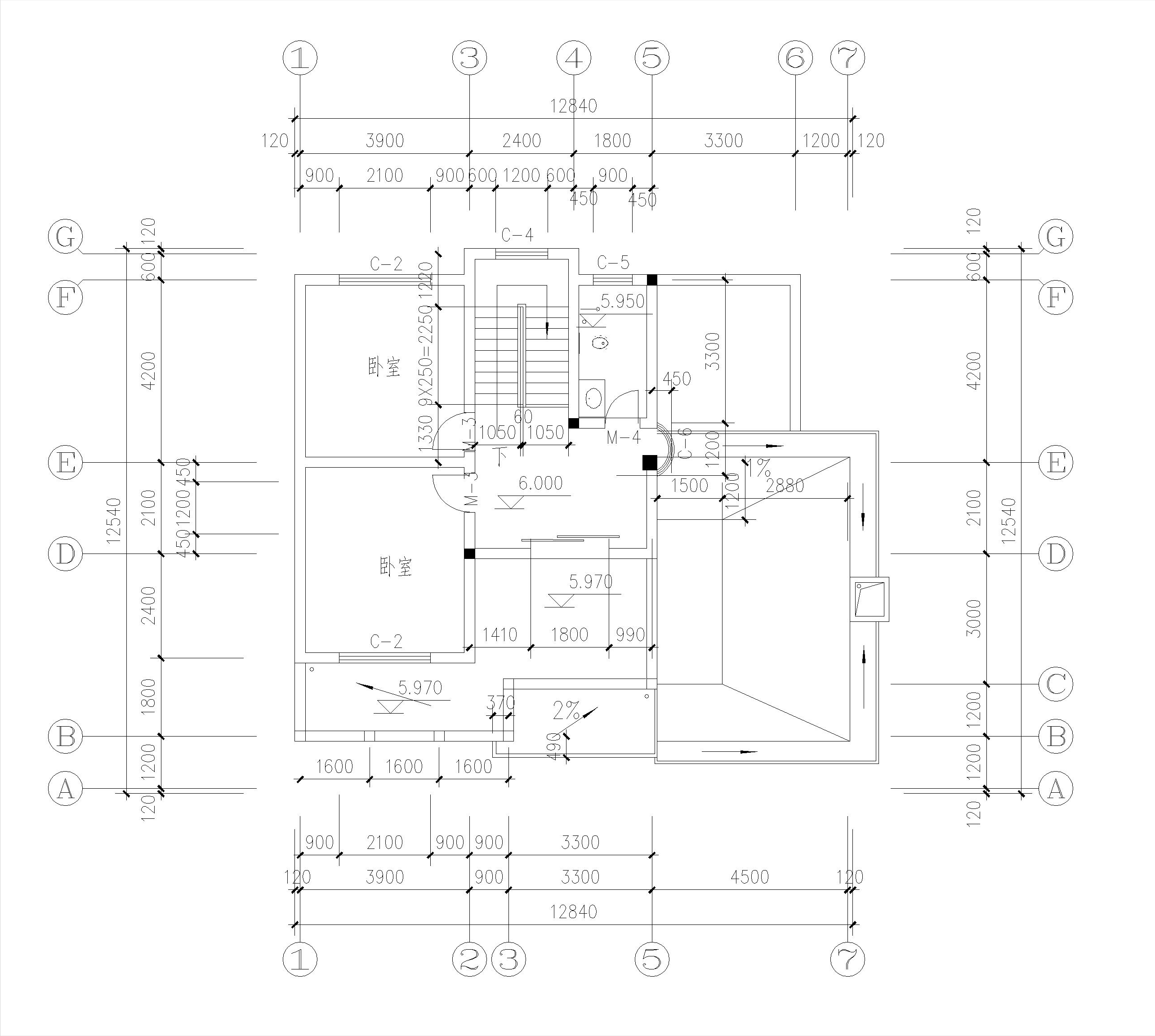
三层平面图
三层建筑面积:66.1㎡
功能设置:卧室(两个)、卫生间
三层主要是作为客房来使用,有一个露天阳台,可以休闲观景。