未来5年内最流行的是欧式自建别墅,你信不信?随着国家一步步的崛起,人们的生活也会越来越好,老百姓也越来越有钱,相信到那时建一套别墅是轻轻松松的。今天给大家介绍一款简约风格的="://www.lemeizhai.com/Picture.asp?PicClassID=91" target="_self">三层农村自建别墅设计,这套别墅采用经典的米白色真石漆和海蓝色屋顶,非常好看,造价经济实惠不超过60万
效果图:

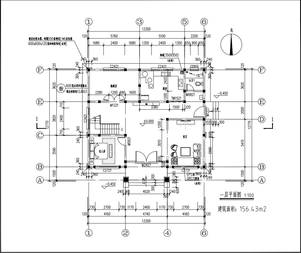
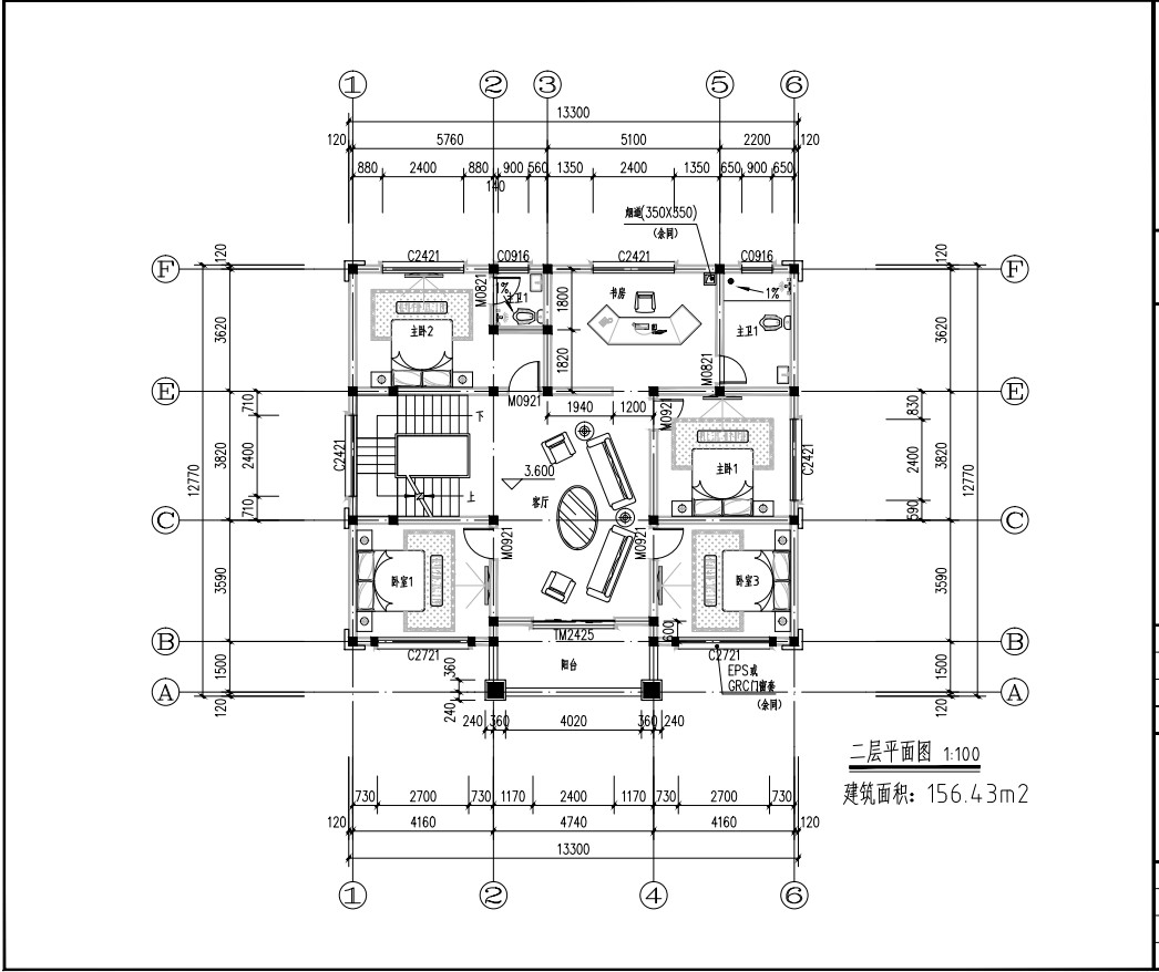
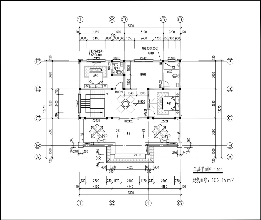
别墅层数: 三层
别墅风格: 欧式
占地面积:156㎡
开 间:13.3m
进 深:12.7m
建筑占地:13.3m×12.7m
建筑面积:415㎡
主体造价:45.0~50.0万
建筑结构:砖混结构
效果图:



主体设计:

客厅、餐厅、厨房、卧室、公卫、阳台、起居室、衣帽间、书房、露台。

。

转载请注明出自轩鼎自建房:://www.lemeizhai.com/