现在建房子选择好看实用的户型,不仅仅是为了住得舒适,还为了在村子里有面子,所以选择一套好的户型真的很关键。今天为大家推荐的这款三层别墅,好看又实用,是农村建房的经典款式,永不过时,房子带挑空客厅+车库+露台

开间:19.4米
进深:10.5米
占地面积:185.8平方米
建筑面积:412.23平方米
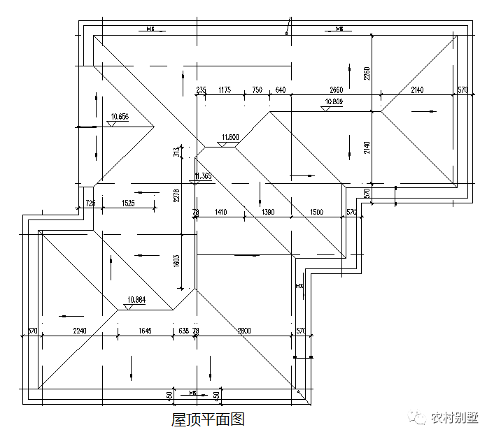
建筑层数:3层
建筑高度:9.75米
建筑结构:砖混结构
主体造价:35万(仅供参考)
本户型为农村三层别墅,大面宽小进深,外观简约耐看,外墙选用米黄色外墙漆,屋顶是虾肉红英红瓦,色彩明媚温馨,采用多窗设计,采光通风效果良好,内部布局合理实用,还带有车库,






一层:玄关、车库、门廊、客房、客厅、饭厅、厨房、佣人房、卫生间。进门是玄关,可以摆放神位;客厅采用挑空设计,与餐厅相连,视野开阔、美观大气;卧室都带卫生间方便居住;车库面积大,可以停放多辆车还是入户式设计。

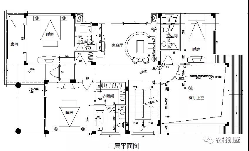
二层:露台、睡房、家庭室、衣帽间、客厅上空、卫生间。此层主要是生活居住,3间睡房满足一般家庭的居住需求,且均带有卫生间,非常人性化;家庭厅便于居住者之间的交流沟通;露台透风透气,还能赏景。

三层:露台、书房、主人房、卫生间。主人房面积大,居住环境舒适;书房可以用来办公学习;双露台则可以一边晾晒衣物,一边用来种植花草,观赏休闲用。
转载请注明出自轩鼎别墅设计://www.lemeizhai.com/