花开花落,春去东来,时代变迁,一代人有一代人的生活方式。今天给大家推荐本公司推出的一款经典户型,="://www.lemeizhai.com/search.asp?SearchType=Software&imageField.x=49&imageField.y=37&SearchKey=%B6%FE%B2%E3%B0%EB" target="_self" style="font-size: 24px; text-decoration: underline;">农村二层半别墅设计,这款别墅采用大量的外贴瓷砖,别墅主体大气好看,这款别墅是吴总私人订制的款式,造价预估最高50万,抓个间谍就能建一套。

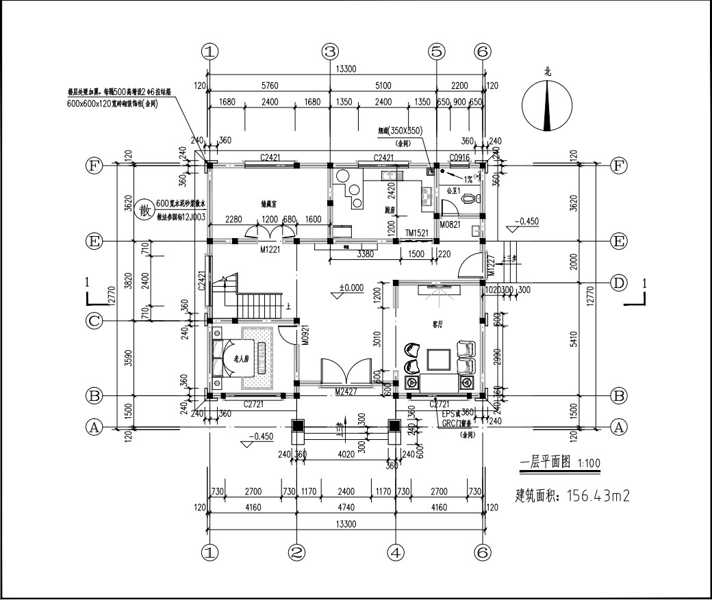
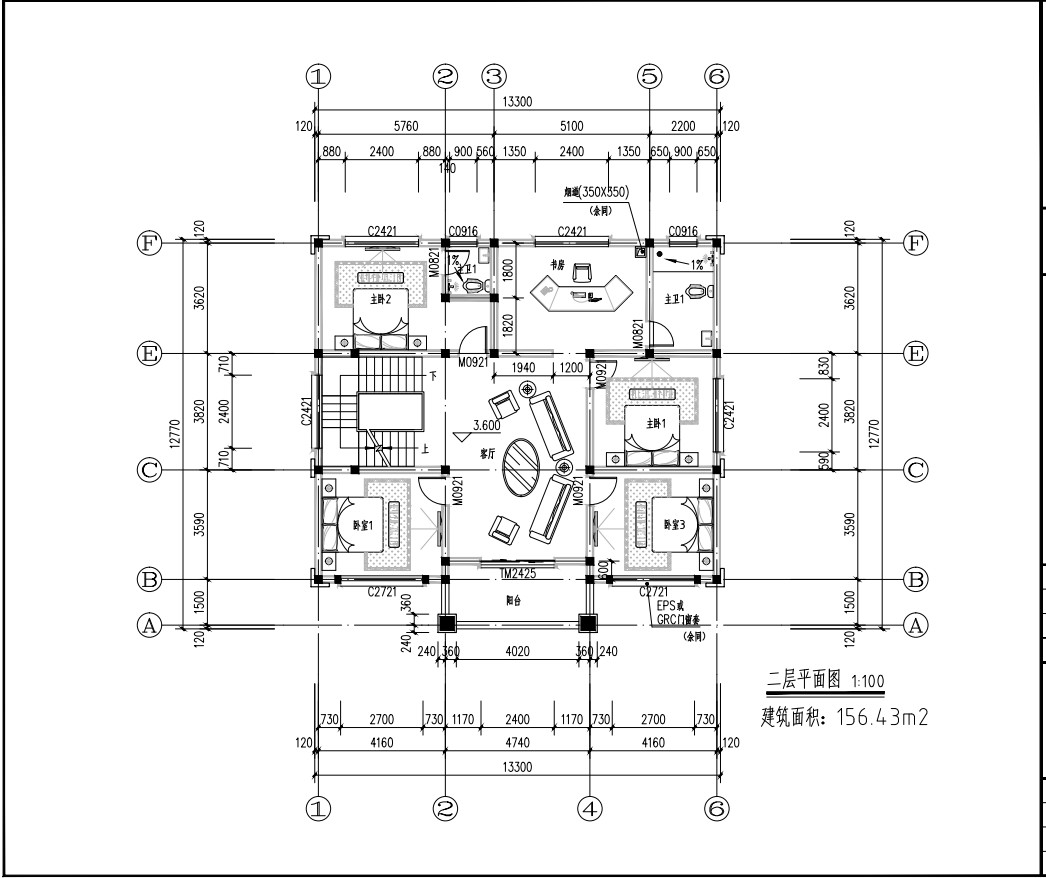
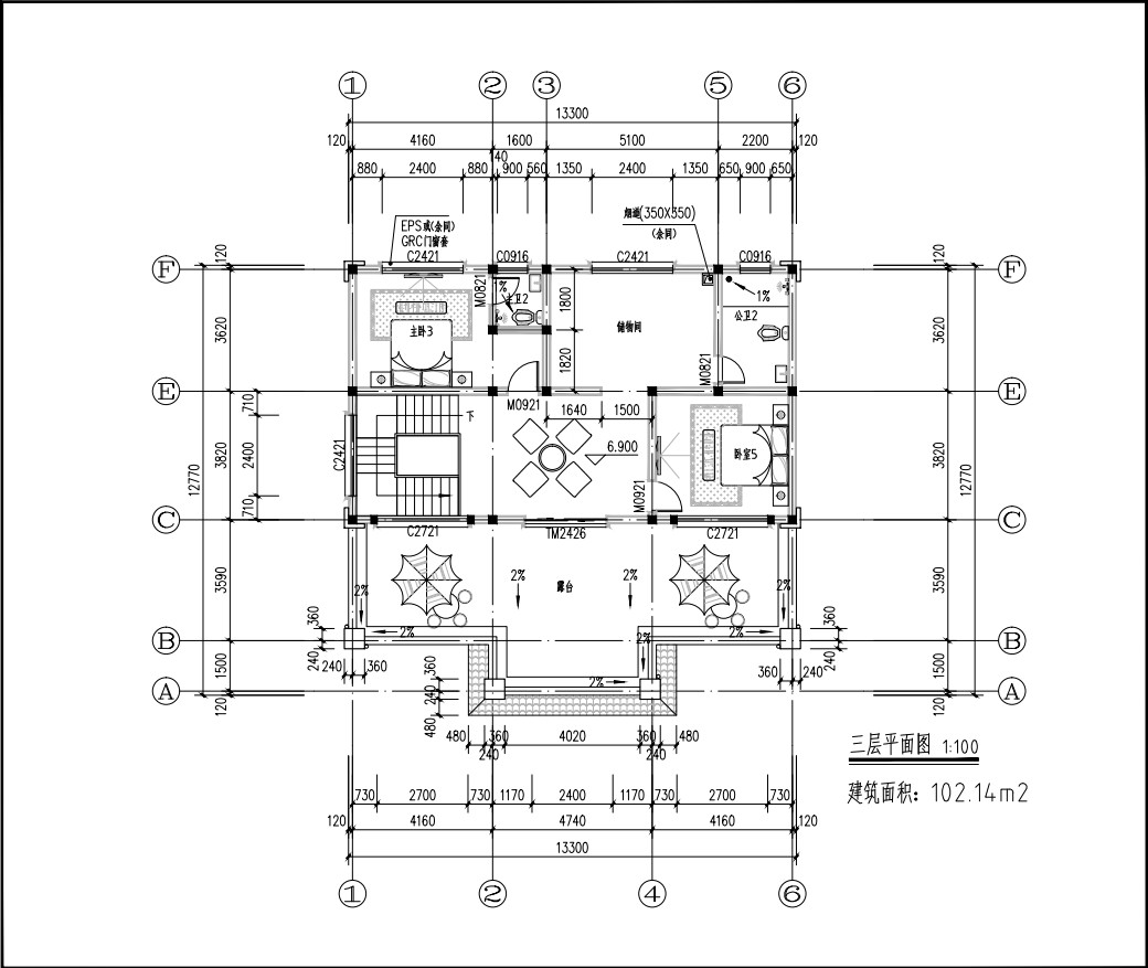
别墅层数: 两层半
别墅风格: 欧式
占地面积:156㎡
开 间:13.3m
进 深:12.7m
建筑占地:13.3m×12.7m
建筑面积:415㎡
主体造价:45.0~50.0万
建筑结构:砖混结构


主体设计:

客厅、餐厅、厨房、卧室、公卫、阳台、露台。


。
转载请注明出自轩鼎别墅设计:://www.lemeizhai.com/index.asp